Sign In | Join Free | My chinabagsnet.com
China LINK-PP INT'L TECHNOLOGY CO., LIMITED logo
LINK-PP INT'L TECHNOLOGY CO., LIMITED
LINK-PP INT'L TECHNOLOGY CO., LIMITED
Verified Supplier

13 Years

Home > Low Profile RJ45 Jack >

Ultra Low Profile Rj45 Connector L8AL-1X1T-32A Gigabit Magjack Tab-up Shield

LINK-PP INT'L TECHNOLOGY CO., LIMITED
Trust Seal
Verified Supplier
Credit Check
Supplier Assessment
Contact Now

Ultra Low Profile Rj45 Connector L8AL-1X1T-32A Gigabit Magjack Tab-up Shield

Brand Name : LINK-PP

Model Number : L8AL-1X1T-32A

Certification : UL,ROHS,Reach,ISO

Place of Origin : Guangdong,China

MOQ : 50/500/1000/25K

Price : $0.08-$1.79

Payment Terms : TT,NET30/60/90 Days

Supply Ability : 2800K-PCS/Month

Delivery Time : Stock

Packaging Details : 60pcs/tray,or Reel Package

PN : L8AL-1X1T-32A

Made In China : SM-LPJK7436CNL

LEDs : WIthout or With

Family : 10/100/1000BT Magnetics

PCB Mounting Orientation : Side Entry Thru-Hole

Hipot : 1500V Input to Output

Contact Now

Ultra Low Profile Rj45 Connector L8AL-1X1T-32A Gigabit Magjack Tab-up Shield


L8AL-1X1T-32A

Trader Part Number L8AL-1X1T-32A Belfuse
Price Break Unit Price Extended Price
1-5 Free -
10-50 4 -
100-500 3.5 -
1,000-2,500 dynamic dynamic
5,000 dynamic dynamic
10,000 Negotiable Negotiable
50,000 Negotiable Negotiable
100,000 Negotiable Negotiable
500,000 Negotiable Negotiable
Made In China

SM-LPJK7436CNL

Manufacturer

LINK-PP

Documents

PDF/IGS/STEP/Cross/Price/Compatible

Lead Free Status / RoHS Status Lead free / RoHS Compliant
Quantity Available

2,000 PCS / Or 4 weeks

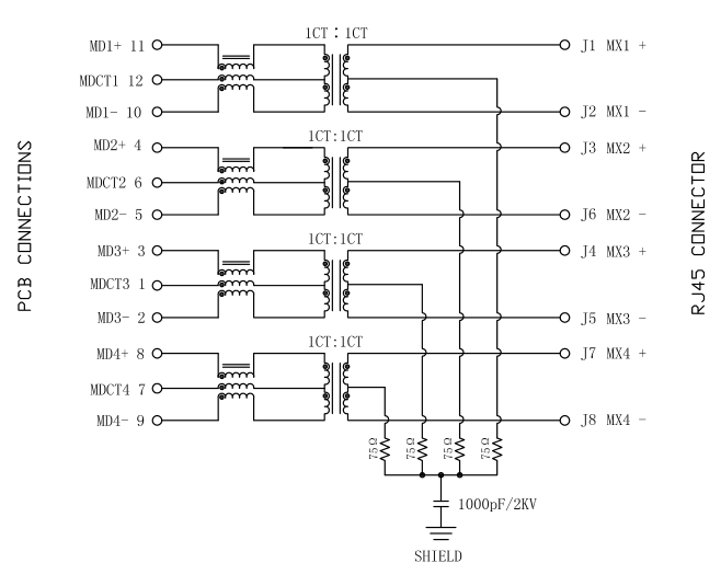
Electrical Specifications @25℃
1.OCL: 350uH MIN
@100KHz 100mV 8mA DC bias current.
2.Turns Ratio(±3%):
TX=1CT:1CT RX=1CT:1CT
3.Insertion Loss:
1-100MHz:-1.0dB MAX
4.Return Loss(dB MIN):
1-10MHz:-20
30MHz:-16
60-90MHz:-12
5.Crosstalk(dB MIN):
1-10MHz:-40
30-60MHz:-35
60-100MHz:-30
6.CMR(dB MIN):
1-50MHz:-26
50-130MHz:-20
7.DC Current/Voltage Rating - PSE Pins:
350mA,@57V(continuous)
8.Hipot: 1500Vrms MIN
9.Operating Temperature: -40℃~+85℃.

10.Partial Specifications:

Ultra Low Profile Rj45 Connector L8AL-1X1T-32A Gigabit Magjack Tab-up Shield


Product Tags:

ultra low profile jack

      

low profile rj45 connector

      
Quality Ultra Low Profile Rj45 Connector L8AL-1X1T-32A Gigabit Magjack Tab-up Shield wholesale

Ultra Low Profile Rj45 Connector L8AL-1X1T-32A Gigabit Magjack Tab-up Shield Images

Inquiry Cart 0
Send your message to this supplier
 
*From:
*To: LINK-PP INT'L TECHNOLOGY CO., LIMITED
*Subject:
*Message:
Characters Remaining: (0/3000)